STROJNISTVO.com • Poglej temo - Dodatni izhodi za hidravliko (za traktor)

Dodatni izhodi za hidravliko (za traktor)

Konstruiranje naprav, strojev, prenosi, gonila...

Moderator: -M-

Dodatni izhodi za hidravliko (za traktor)

OdgovorNapisal/-a primozsu » 18.9.2009 14:32

Pozdravljeni!

Imamo traktor Renolt 90 in se je pojavila potreba po dodatnih izhodih za hidravliko. Z očetom sva namestila, vzporedno na že obstoječi sistem, dodatni ventil vendar ne deluje. Ventil sma obrnila (dovodno/odvodno) vendar ni pomagalo. Sedaj ne veva kaj bi lahko bilo narobe.

Prilagam slike da vam bo bolj jasno.

Slika
Slika
Slika
Slika
Slika
Slika
Slika
Slika
Slika
Slika
Slika


Slike v boljši resoluciji

LP, Primož
primozsu
Novinec
Novinec
 
Prispevkov: 13
Pridružen: 18.9.2009 13:46

OdgovorNapisal/-a 1111bbbb » 18.9.2009 15:44

nisem neki strokovnjak na tem področju.zadevo sta si lepo zamislila in tudi izvedla.vendar bi morala zadevo vezat ZAPOREDNO in ne VSPOREDNO.mislim da je tu napka.kolko je pač razvidno iz slik.mislim da vama zdaj niti originalni ventili več ne delajo ker tlak že pred originalnim ventilom odide v povratni vod.vidva bi morala tlačni vod, za nove ventile vzet iz povratniga originalniga voda!!!!!!!.
1111bbbb
Sodelavec
Sodelavec
 
Prispevkov: 72
Pridružen: 5.1.2009 18:41

OdgovorNapisal/-a dsf » 18.9.2009 22:17

Ja seveda. Za napajanje ega novega ventila morata vzet en že obstoječ priključek , se pravi vzer tlal iz enega od priključkov in ga povezat na ta vajin nov ventil potem pa bo delalo.
Zakaj ?
Traktorji imajo nek ventil kateri odpira tlačni vod kadar ni potrebe po olju na ventilih in le ta ga takoj prekrmili v povratni kanal, če pa premakneš ročico zapre povrat in naredi željeno delo....
dsf
Strokovnjak
Strokovnjak
 
Prispevkov: 302
Pridružen: 8.10.2006 14:45

OdgovorNapisal/-a primozsu » 18.9.2009 22:31

Hvala za odgovor, je bilo tako kot si povedal ( pritisk na originalnem ventilu je bil zelo majhen, saj je cilinder na katerem sva preizkušala, deloval extremno počasi). Sva spremenila in zvezala v serijo, sedaj pa je problem sledeč. Ko premaknem katero ročico na novem ventilu se cev napne in celinder malo potisne, to pa je tudi vse. Zgleda da olje ne more odtečti. Orginalni ventil pa deluje sedaj normalno.

Kje sva še naredila napako?
primozsu
Novinec
Novinec
 
Prispevkov: 13
Pridružen: 18.9.2009 13:46

OdgovorNapisal/-a primozsu » 18.9.2009 22:37

dsf: nisem prepričan če sem razumel tvoj odgovor. Si mislil da morava vzeti iz enega že krmiljenega izhoda ali iz povratnega, tako kot je predhodnik napisal.
primozsu
Novinec
Novinec
 
Prispevkov: 13
Pridružen: 18.9.2009 13:46

OdgovorNapisal/-a SAJKO » 19.9.2009 15:52

Traktorska hidravlika je narejena tko, da takrat, ko ne uporabljaš hidravlike teče olje iz črpalke preko ventilov za delovno hidravliko( prečko)in ventilov za priključke, ter prosto v nazaj v rezervoar( pri nekaterih je to kar diferencial. Ko premakneš ročko kateregakoli ventila, zapreš povratek v rezervoar in usmeriš olje v željeni priključek. Če hočeš dodat ventile, jih moraš vezat zaporedno v ta krogotok-najbolj enostavno je, da prerežeš cev od črpalke do obstoječih ventilov in vmes daš dodatni blok-vendar povratek iz varnostnega ventila dodanega bloka moraš vezat posebej na povratek v rezervoar. Se pravi-dovod na blok gre iz črpalke, potem pa naprej na obstoječe ventile. Ko novih ne uporabljaš, kroži olje samo preko njih pa naprej na obstoječe, in vse dela kot prej. Ko uporabljaš dodatne, gre olje preko njih na cilinder oz.kamorkoli že, povratek gre pa naprej preko starih. V primeru, da pride do preobremenitve, bo pa varn. ventil spustil olje preko posebnega povratka direkt v rezervoar.
Če si vezal novi blok zaporedno, na oznako P si pripeljal pritisk, kam si speljal pa T( tank, povratek)?
SAJKO
Strokovnjak
Strokovnjak
 
Prispevkov: 1021
Pridružen: 12.1.2006 10:34

OdgovorNapisal/-a Lukec » 19.9.2009 20:00

Točno tako kot je napisal Sajko, razen da gre v večini primerov traktorjev za ravno obratno zaporedje in olje prvo pršiba dodatne ventile in zatem osnovno traktorsko hidravliko.
V večini primerov je tako, razen če ima traktor ločeno črpalko. Vendar je to praviloma pri novejših traktorjih. Koliko je ta star?
Lukec
Strokovnjak
Strokovnjak
 
Prispevkov: 339
Pridružen: 6.1.2003 16:42

OdgovorNapisal/-a primozsu » 19.9.2009 23:02

SAJKO napisal/-a:Če si vezal novi blok zaporedno, na oznako P si pripeljal pritisk, kam si speljal pa T( tank, povratek)?

T sva speljala na stari ventil.


Lukec napisal/-a:Koliko je ta star?

Mislim da je 89 letnik.

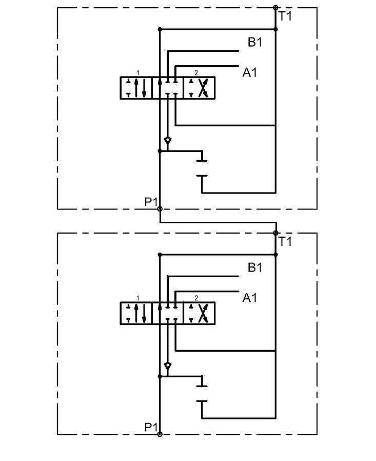
Je pa takšen.
Slika

Kaj bi lahko bilo narobe da stari sistem deluje normalno, nov pa ne (vezana pa sta v serijo)?
primozsu
Novinec
Novinec
 
Prispevkov: 13
Pridružen: 18.9.2009 13:46

OdgovorNapisal/-a SAJKO » 20.9.2009 18:48

A stari sistem ti pa normalno deluje? Kaj pa če si ti priključil porabnik tako-dovod iz enega ventila, povratek pa na drugega-ker vidim, da imaš dva ventila v bloku.
SAJKO
Strokovnjak
Strokovnjak
 
Prispevkov: 1021
Pridružen: 12.1.2006 10:34

OdgovorNapisal/-a Lukec » 23.9.2009 6:04

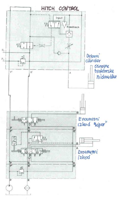
Takle je hidravlični sistem na traktorju.

Slika

Hitch Control (ne poznam ene normalne slovenske besede) in dodatni izhodi so sicer lahko tudi zamenjani vendar v večini primerov gre za to zaporedje.
Hitch Control je praktično vedno enak (glede na simbol, ne glede ne izvedbo) in je na vseh evropskih traktorjih narjen po izumu Fergusona, izvedba je pa več ali manj vedno kopija Bosch (danes Bosch Rexroth).
Če želiš torej izhode za neke zunanje porabnike jih vedno (v tak sistem) dodaš ZAPOREDNO in sicer tako, da nekje krogotok prekineš, daš not želene ventile in tokokrog spet skleneš. Obstaja tudi varianta da dodatne izhode (se pravi vhod dodatnih izhodov) priklopiš na enega od obstoječih izhodov. Vendar to pomeni, da en izhod porabiš že za to + omejena uporaba ostalih originalnih, ko delaš z novo dodanimi. Seveda takega krogotoka ni tako zelo enostavn prekint in spet spojit. To lahko pomen večji poseg v hidravličen sistem traktorja, kjer je treba naredit kakšno vmesno ploščo, dodelat priključek, etc, etc….. Vendar se vse da.
Vidim v tvojem primeru, da so originalni dodatni izhodi povezani z ostalo hidravliko s cevmi, torej ne bi smel bit posebnega problema.
Torej najprej je treba vedet kakšen ventil imaš. In ti imaš takga:

Slika

In potem narediš tole:

Slika

Če želiš prioriteto:
-originalni izhodi
-dodatni izhodi
-hitch control

ali pa tole:

Slika

Če želiš prioriteto:
-dodatni izhodi
-originalni izhodi
-hitch control

Kdaj izbereš katero varianto je čist odvisn od tega kaj lahko narediš, kako je izvedeno na traktorju.
Lukec
Strokovnjak
Strokovnjak
 
Prispevkov: 339
Pridružen: 6.1.2003 16:42

OdgovorNapisal/-a mstrek » 23.9.2009 12:19

Jaz imam tudi namen dodati dva hidravlična izhoda preko enega ventila, ki je spodaj na slikah. Ventil je že precej star in masiven. Ni pa še nikoli rabil. Vse je še original. Je kaj možnosti, da se kaj pri takšnem ventilu pokvari z leti, čeprav ni bil nikoli v uporabi...bi bilo boljše da kupim nov ventil preden sploh začnem z montažo? Mogoče kdo ve koliko pretoka ima ta ventil? Montiral ga bi na IMT 533.
Priklopiti ga pa imam namen na obstoječi kiper izhod in povratek skozi čep na bloku hidravlike. Ali je možno na tem traktorju zaporedno ga vezati...se mi zdi preveč komplicirano...ai se motim?
Slika
Slika
Slika
Slika
Slika
Slika
mstrek
Pripravnik
Pripravnik
 
Prispevkov: 33
Pridružen: 28.8.2009 8:06

Re: Dodatni izhodi za hidravliko (za traktor)

OdgovorNapisal/-a Sotcik » 7.6.2018 9:52

Pozdravljeni. Lotil sem se predelave traktorske hidravlike oz. dodati želim 3 pare dvosmernih ventilov. Gre se za traktor zetor 7245 letnik 90. Kupil sem ventile in vse ostalo. Mehanik mi ke dejal , da je dovolj če povežem obstoječa ventila( imam en par) na krmilni ventil dovod in povratek v drugi ventil. Vse lepo in prav ko sem vse povezal se mi je zgodilo da mi nastaja visoki tlak na izhodih in tudi olje pricuri ...tudi o ring iz izhodov mi je na enem porinlo ven. Bi moral narediti še kakšno kroženje dodatno? Prosim za mnenja
Sotcik
Novinec
Novinec
 
Prispevkov: 1
Pridružen: 7.6.2018 9:02

Re: Dodatni izhodi za hidravliko (za traktor)

OdgovorNapisal/-a SAJKO » 7.6.2018 20:29

Traktorska hidravlika(razen john-deere)je narejena tako, da olje kroži od črpalke čez ventile pa se vrača v rezervar-brez nekega tlaka. Če premakneš katerikoli ventil,zapre povratek v rezervar in usmeri olje v željeni cilinder ali kar pač. Če karkoli dodajaš, mora biti ravno tko zvezano-morajo biti ventili taki, da omogočajo v nevtralnem položaju kroženje olja.
SAJKO
Strokovnjak
Strokovnjak
 
Prispevkov: 1021
Pridružen: 12.1.2006 10:34


Vrni se na Konstruiranje in mehanika

Kdo je na strani

Po forumu brska: 0 registriranih uporabnikov in 9 gostov