cnc krivljenje cevi

Kategorija:
Vrsta oglasa:
kupim
Kratek opis:
Cena:
0.00€
Besedilo:

Pozdravljeni!

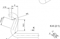
Potreboval bi storitev krivljenja cevi. Cev mora biti zakrivljena po spodaj priloženem načrtu. Material cevi je baker, cev pa je fi 6 x 1 mm.

Če mi lahko ponudite krivljenje, mi prosim sporočite na spodaj naveden naslov, da se dogovorimo glede količine in cene.

Lep pozdrav, Gašper

Slike:

Podrobnosti o oglaševalcu

Datum objave:
22.03.2021
Datum veljavnosti:
29.03.2021
Kontaktni podatki:

gaspervidmar1234@gmail.com

Uporabnik na forumu:

Število ogledov: 1194