STROJNISTVO.com • Poglej temo - Nadstrešek železo + les

Nadstrešek železo + les

Konstruiranje naprav, strojev, prenosi, gonila...

Moderator: -M-

Nadstrešek železo + les

OdgovorNapisal/-a naypev » 22.2.2025 23:16

Lepo pozdravljeni,
začenjam s planiranjem samostoječega nadstreška, malo sem pregledal ponudbe in se bom verjetno zadeve lotil v lastni režiji.
Gre se za nadstrešek z velikostjo kritine 6m x 8m od tega je 2.5m lopa zadaj. Za kritino sem se odločil za trapezno pločevino T40, da bo naklon čim manjši (4-5°).
Streha bo imela 20cm napušča, torej bodo nosilni stebri zamaknjeno navznoter.
Lopa bo stala na ab plošči zunanja nosilna stebra pa na točkovnih temeljih. Zunanja stebra nebi pomikal bolj v notranjost, če se kadarkoli pojavi želja za montažo garažnih vrat.

Lokacije je Polzela/Savinjska z nv 290m.

Železna konstrukcija bo med sabo vijačena, za strešno pa bom izbral les.

Prilagam še hiter osnutek. Razdalje med nosilci kiritne so cca 80cm.
Želel bi si pomoč pri izbiri dimenzij materiala in smiselnost konstrukcije za vijačenje

Če sem karkoli pozabil se opravičujem in dopolnim naknadno.

Hvala in lep pozdrav
Priponke
Screenshot 2025-02-22 231441.png
Screenshot 2025-02-22 231441.png (277.16 KiB) Videno 13316 krat
Screenshot 2025-02-22 231305.png
Screenshot 2025-02-22 231305.png (151.36 KiB) Videno 13316 krat
Nadstrešek.jpg
Nadstrešek.jpg (507.46 KiB) Videno 13316 krat
naypev
Novinec
Novinec
 
Prispevkov: 9
Pridružen: 22.2.2025 22:21

Re: Nadstrešek železo + les

OdgovorNapisal/-a Žerjavar » 23.2.2025 7:01

Glede na tvoj osnutek predlagam:
Šest nosilnih stebrov na razmaku (sredina) 540 x (370 + 370) cm, dve nosilni legi po 800 cm in tri povezovalne lege dolžine 530 cm. Za omejitev lope se postavi lesene pomožne stebriče pritrjene v talno ploščo in leseno ostrešje. Kot leseno ostrešje pa je le 9 kom nosilcev 600 cm pritrjeno na nosilni legi. Kritina se naslanja in pritrjuje na nosilce. Razmak nosilcev je 100 cm, da lahko kritino zamenjaš s strešnimi ploščami 100 x 125 cm. Jaz se namreč bojim, da bo 8 m dolga pločevina, vijačena na leseno konstrukcijo hitro dobila ovalne luknje okrog vijakov ter začela puščati to sem tudi občutil pri sestri, ki je po 10 letih morala menjati pločevino za drugačno kritino.
Kljub vijačeni konstrukciji boš imel nekaj varjenja za vijačene spoje.
Ali ti svetla višina (pod konstrukcijo) ustreza 200 do 240 (pri uvozu) cm?
Vrtičkarstvo je boljše od žerjavarstva
Žerjavar
Strokovnjak
Strokovnjak
 
Prispevkov: 8666
Pridružen: 19.5.2007 14:33

Re: Nadstrešek železo + les

OdgovorNapisal/-a naypev » 23.2.2025 11:11

Hvala za odgovor.
Če bi želel, da mi sredinska stebra ostaneta na robu lope, bi moral stebra pri uvozu premakniti bolj noter (120cm od roba kritine)? Mogoče vseeno bolj smiselno, da se naredi tako, bo tudi lepše izgledalo. Lege predlagaš vse železne? Potem je najbolj smiselno tudi nosilce železne in nimam bojazni z raztezanjem lesa in problemom s pločevino.
Svetla višine bi si želel vsaj 240cm na uvozu ja.

Še eno dodatno vprašanje, sprednja lega je dovolj enojna, ali bi bilo potrebna dvojna, kot je na skici. A bi bilo smiselno še eno lego po dolgem tudi v sredini?
naypev
Novinec
Novinec
 
Prispevkov: 9
Pridružen: 22.2.2025 22:21

Re: Nadstrešek železo + les

OdgovorNapisal/-a Žerjavar » 23.2.2025 18:07

naypev napisal/-a: Če bi želel, da mi sredinska stebra ostaneta na robu lope,...
Lege predlagaš vse železne? Potem je najbolj smiselno tudi nosilce železne in nimam bojazni z raztezanjem lesa in problemom s pločevino.
sprednja lega je dovolj enojna, ali bi bilo potrebna dvojna, kot je na skici. A bi bilo smiselno še eno lego po dolgem tudi v sredini?

Zakaj bi si to želel? Povej, kako boš delal stene lope, ali ti ne zadoščajo leseni ustrezno gosti stebriči?
Stebri in lege so jekleni ker železo praktično ni uporabno. Stebri in lege sestavljajo nosilno konstrukcijo na katero se naslanja leseno ostrešje. Jeklena konstrukcija je samostojna enota, ki je postavljena na talno ploščo kot miza na tla. Sidranje stebrov je dobrodošlo v fazi montaže in potrebno, da veter ne premakne celotne konstrukcije. Veter pa stebrov ne nagne, ker jih ustrezno povezujejo lege. Raztezanje lesa ni problem za pločevino. Problem je raztezanje pločevine, ki se na soncu ogreje tudi za 30 stopinj bolj od nosilcev in s tem tudi dosti bolj poveča dolžino od lesenih ali jeklenih nosilcev. Nosilci kritine so leseni cenejši od jeklenih. Tudi predvidena jeklena konstrukcija bi lahko bila lesena po enakem izgledu.
Sprednja lega je zgornji rob vrat, katera so nanjo tudi lahko pritrjena. Čemu misliš, da bi rabil dve?
Sredinska lega 8 m ti prihrani les nosilcev kritine v zameno za svojo težo in povečanje teže vseh treh prečnih leg.
Vrtičkarstvo je boljše od žerjavarstva
Žerjavar
Strokovnjak
Strokovnjak
 
Prispevkov: 8666
Pridružen: 19.5.2007 14:33

Re: Nadstrešek železo + les

OdgovorNapisal/-a naypev » 23.2.2025 21:39

Steber pri koncu lope bi si želel predvsem zato, da ga ni na mestu, kjer se odpirajo vrata avtomobila, hkrati pa mi je takšen izgled tudi lepši, prilagam sliko kako sem si predstavljal.
Kako bojo stene lope narejene še ne vem, navrjetneje iz konstrukcijih profilov na ketere se potem namesti sendvič fasadne panele.

Glede kritine, imaš mogoče kakšen primer teh strešnih plošč na spletu, a je potreben večji naklon zaradi tega potem?

Glede sprednje lege in sredinske lege pa; z očetom, ki bo zadeve varil sva to zrisala in mi je tako predlagal. Ne jaz in ne on, nisva strokovnjaka, zato sprašujem :)
Priponke
6.3-1067x800.jpg
6.3-1067x800.jpg (83.48 KiB) Videno 13131 krat
naypev
Novinec
Novinec
 
Prispevkov: 9
Pridružen: 22.2.2025 22:21

Re: Nadstrešek železo + les

OdgovorNapisal/-a Žerjavar » 24.2.2025 7:26

naypev napisal/-a:Steber pri koncu lope bi si želel predvsem zato,...
stene lope .... iz konstrukcijih profilov na ketere se ...
Glede kritine,...
Glede sredinske lege pa; z očetom, ki bo zadeve varil

Položaj stebra, ni problem, le nosilna lega bo nekaj težja od mojega predloga.
Konstrukcijske profile boš zgoraj pritrjeval na nosilni in prečni legi.
Imam razlog, da ne brskam po internetu razen izjemoma. Za strešne plošče imam v mislih vlaknenke (valovitka, esal - salonit). Da ne bo zamakalo pa bom poračunal potreben nagib glede na dolžino medsebojnega prekrivanja. Za vsak slučaj pa se na nosilce najprej pritrdi sekundarno kritino (folija) in nato plošče.
Srednja lega .. razumem, vendar je s tem prihranjeno na lesu malenkost od povečanega stroška na jeklu. Ali imata razlog, da bo konstrukcija vijačena, da ni varjenja pri montaži?
Vrtičkarstvo je boljše od žerjavarstva
Žerjavar
Strokovnjak
Strokovnjak
 
Prispevkov: 8666
Pridružen: 19.5.2007 14:33

Re: Nadstrešek železo + les

OdgovorNapisal/-a naypev » 24.2.2025 20:49

Varilo se bo na drugem koncu v delavnici, potem se bo pa na lokacijo samo pripeljalo in sestavilo. Oče to dela popoldan po šihtu, počasi in pravi da natančno :wink: , zato bi nama tako najbolj ustrezalo, da se v miru zvari te vezne elemente na cevi in potem samo zmontira na lokaciji.
naypev
Novinec
Novinec
 
Prispevkov: 9
Pridružen: 22.2.2025 22:21

Re: Nadstrešek železo + les

OdgovorNapisal/-a Žerjavar » 25.2.2025 6:54

Samo v informacijo za iskanje dobavitelja. Možna bo še sprememba.
Stebri 6 kom KC 150 x 5, lega 2 kom 8 m PC 200 x 150 x 5, lega prečne povezave 3 kom 6 m KC 150 x 4.
Nosilec kritine 9 kom 6 m žagan les 22 x 16 cm.
Prikaži zamišljene detajle spojev: Zgornji vogal stebra, dolge in kratke lege. Dolga lega in leseni nosilec kritine. Eventuelno spoj dolge lege, če jo boš transportiral v dveh krajših kosih. Sidranje stebra v talno ploščo.
Vrtičkarstvo je boljše od žerjavarstva
Žerjavar
Strokovnjak
Strokovnjak
 
Prispevkov: 8666
Pridružen: 19.5.2007 14:33

Re: Nadstrešek železo + les

OdgovorNapisal/-a naypev » 25.2.2025 23:12

Prilagam slike spojev.
Glede dolge lege, zvarila se bo na lokaciji, spoj je planiran nekje med stebroma lope cca 6m+2m. Če sam var nebi zadostoval se lahko še ojača zadevo bočno.
Priponke
3.png
3.png (31.21 KiB) Videno 12775 krat
2.png
2.png (139.79 KiB) Videno 12775 krat
1.png
1.png (78.43 KiB) Videno 12775 krat
naypev
Novinec
Novinec
 
Prispevkov: 9
Pridružen: 22.2.2025 22:21

Re: Nadstrešek železo + les

OdgovorNapisal/-a naypev » 25.2.2025 23:13

2. del spojev
Priponke
6.png
6.png (45.97 KiB) Videno 12775 krat
5.png
5.png (49.02 KiB) Videno 12775 krat
4.png
4.png (47.47 KiB) Videno 12775 krat
naypev
Novinec
Novinec
 
Prispevkov: 9
Pridružen: 22.2.2025 22:21

Re: Nadstrešek železo + les

OdgovorNapisal/-a naypev » 25.2.2025 23:13

3. del spojev
Priponke
8.png
8.png (621.75 KiB) Videno 12775 krat
7.png
7.png (750.02 KiB) Videno 12775 krat
naypev
Novinec
Novinec
 
Prispevkov: 9
Pridružen: 22.2.2025 22:21

Re: Nadstrešek železo + les

OdgovorNapisal/-a Jenix » 25.2.2025 23:30

zadaj ni potreben še en jeklen nosilec škoda vsakega €, boljše dvignit stebre in spodnji nosilec po mojem bi bila potreba po Hea nosilcu.

Lp
Jenix
Novinec
Novinec
 
Prispevkov: 4
Pridružen: 29.9.2024 10:24

Re: Nadstrešek železo + les

OdgovorNapisal/-a Žerjavar » 26.2.2025 8:06

naypev napisal/-a:Prilagam slike spojev. ... Glede dolge lege, zvarila se bo na lokaciji, .

Bi bilo uporabno, če zagotoviš, da bo temelj vzdržal možen nagib ( upogib) stebra (veter, ...). Na palec bi bilo dno temelja vsaj 60 x 60 cm. Samo talna plošča ne vzdrži.
Spoj dolge lege je lahko le soležni spoj dveh cevi, če bo dolžina krajšega kosa segala čez lopo 40 do 100 cm.
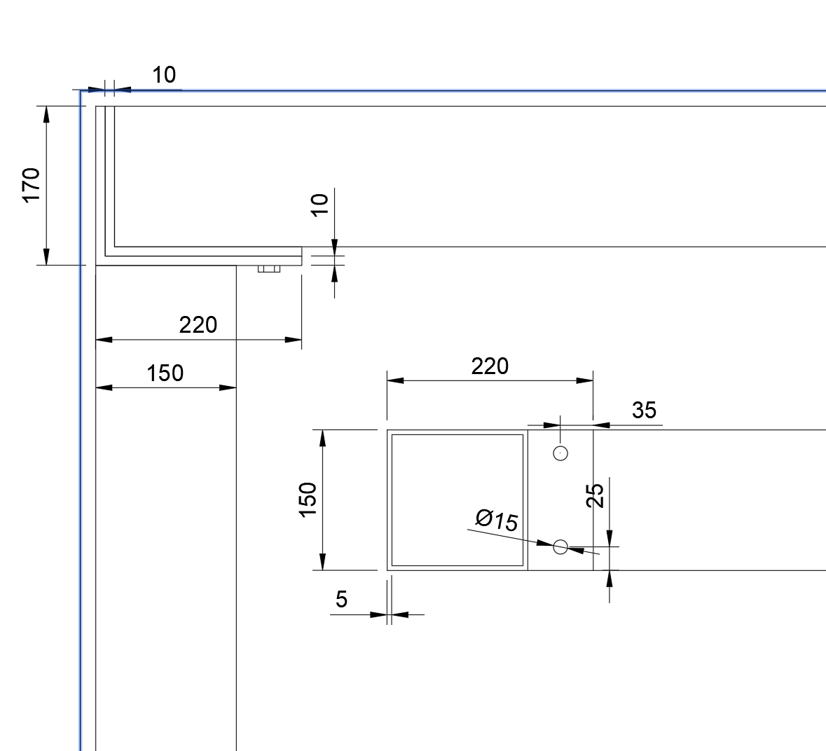
Predlagam spoje nosilne konstrukcije po priloženi skici, prirobični spoj, ena prirobica z izvrtino, druga z vrezanim navojem. Lega na steber 4 kom M16, prečna povezava stebrov 4 kom M12 in nosilec kritine po 1 kom lesni vijak 6 mm (polni premer skozi pločevino). Bolj točne podatke dam pozneje.
Vrtičkarstvo je boljše od žerjavarstva
Žerjavar
Strokovnjak
Strokovnjak
 
Prispevkov: 8666
Pridružen: 19.5.2007 14:33

Re: Nadstrešek železo + les

OdgovorNapisal/-a Žerjavar » 26.2.2025 8:12

Še skica
Priponke
Naypev.jpg
Naypev.jpg (9.72 KiB) Videno 12721 krat
Vrtičkarstvo je boljše od žerjavarstva
Žerjavar
Strokovnjak
Strokovnjak
 
Prispevkov: 8666
Pridružen: 19.5.2007 14:33

Re: Nadstrešek železo + les

OdgovorNapisal/-a Žerjavar » 28.2.2025 6:56

Jenix napisal/-a: zadaj ni potreben še en jeklen nosilec

Jekleni nosilci 6 m med stebri so potrebni za preprečevanje nagiba stebrov od vetra, če temelji ne vzdržijo takega upogiba (samostoječa miza ali stol).
Od kod ti ideja za HEA nosilcem, saj je za predvsem upogib ugodnejša pravokotna cev? Predlagal sem kvadratno (lahko bi bila lažja pravokotna), predvsem zaradi izgleda konstrukcije (ista dimenzija 150 mm).
Vrtičkarstvo je boljše od žerjavarstva
Žerjavar
Strokovnjak
Strokovnjak
 
Prispevkov: 8666
Pridružen: 19.5.2007 14:33

Naslednja

Vrni se na Konstruiranje in mehanika

Kdo je na strani

Po forumu brska: 0 registriranih uporabnikov in 1 gost