Napisal/-a Žerjavar » 10.2.2015 17:30
Namizna krožna žaga za male pare mi je dobro služila kar precej let. Te dni je izdihnila srtedi dela. V trenutku se je ustavila, brez da bi opazil kaj posebnega.
Najprej sem poskusil z belim gumbom zraven stikala ob domnevi, da je izklopila tokovna zaščita (pregretje). Ni to.
Ni bilo nobenega smojenja ( pregorel sestavni del), sem domneval, da je morda prekinjen kakšen vodnik. Sem pogledal črevesje, vse je dobro spojeno.
Nisem še videl tovrstnega sistema vklapljanja/izklapljanja motorja. Se mi je odprlo kar precej vprašanj:
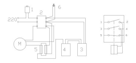
Prilagam shemo povezave.
1. Domnevam, da je tokovna zaščita. Zunaj ima bel gumb. Ga nisem nikdar uporabljal.
2. je stikalo z dvema gumboma (vklop/izklop) Na desni je narisana shema z ohišja stikala. Kako je v mojem posnetku vezave obrnjeno, pa ne vem. Možno, da je vklop mehanski - je treba pošteno pritisniti. Izklop se le malce dodakneš, pa že izklopi.
3. je črna zalita škatlica.
4. Je verjetno tiristor, ker ima zraven kar precej veliko ohlajevalno pločevino.
5. je le nekaj ovojev povezovalne žice na razmeroma tankem okvirju. Domnevam, da za dušenje visokofrekvenčnih tokov.
6. je verjetno kondenzator. Iz napisa sem izluščil podatek 0,33 mikrofarada.
Verjetno je vgrajeno tudi kakšno tokovno zaviranje, ker se iz polnih vrtljajev zelo hitro zaustavlja skoraj do mirovanja, nazadnje še počasi naredi nekaj obratov.
- Kakšen je to enofazni motor 1800 W moči, 4500 o/min, zunanji premer 100 mm in dolžina (brez gredi) 150 mm? Na ohišju ni videti, da bi imel krtačke.
- Kaj bi lahko bilo v škatlici št.3?
- Ali sem pravilno sklepal za ostale elemente?
- Ali je možno, da z multimerom najdem napako?
- Priponke
-

- žaga.JPG (8.6 KiB) Videno 3233 krat
Vrtičkarstvo je boljše od žerjavarstva